单稳态触发器有哪些(最简单的单稳态电路图)

单稳态触发器有哪些(最简单的单稳态电路图)

 

(2)构成微分电路的条件

单稳态触发器有哪些(最简单的单稳态电路图)

 

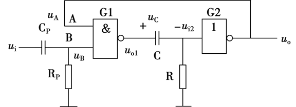
2.积分电路

(1)电路和工作原理

单稳态触发器有哪些(最简单的单稳态电路图)

 

二、单稳态触发器

1.门电路构成的单稳态触发器

(1)微分型单稳态触发器

单稳态触发器有哪些(最简单的单稳态电路图)

 

单稳态触发器有哪些(最简单的单稳态电路图)

 

单稳态触发器有哪些(最简单的单稳态电路图)

 

积分型单稳态电路要求触发脉冲信号宽度大于输出脉冲宽度。采用窄脉冲触发的积分型单稳态电路,对输入脉冲的宽度没有这种限制。

单稳态触发器有哪些(最简单的单稳态电路图)

 

2.集成单稳态触发器

(1)非重触发的集成单稳态触发器

单稳态触发器有哪些(最简单的单稳态电路图)

 

单稳态触发器在外界触发信号作用下进入暂稳态。在暂稳态期间,外界再输入触发信号,并不影响电路的暂稳态。只有当暂稳态过程结束,电路又进入原来的稳态之后,新的触发信号才能使电路再次进入暂稳态,即暂稳态持续时间tW是不变的,这就是非重触发单稳态电路。

单稳态触发器有哪些(最简单的单稳态电路图)

 

单稳态触发器有哪些(最简单的单稳态电路图)

 

(2)可重触发单稳态触发器

单稳态触发器有哪些(最简单的单稳态电路图)

 

可重触发单稳态电路与非重触发的集成单稳态触发器不一样,当外界输入触发信号使电路进入暂稳态之后,输入新的触发信号就可延长暂稳态的持续时间,输出脉宽可任意展宽。

单稳态触发器有哪些(最简单的单稳态电路图)

 

文章均来自互联网如有不妥请联系作者删除QQ:314111741 地址:http://www.mqs.net/post/12093.html

相关阅读

添加新评论